Descrição: logo novo

 

 

MOTORES ELÉTRICOS.

 

Motor elétrico é uma máquina destinada a converter energia elétrica em energia mecânica. É o mais utilizado de todos os motores elétricos, pois combina a facilidade de transporte, economia, baixo custo, limpeza e simplicidade de comando. São máquinas de fácil construção e fácil adaptação com qualquer tipo de carga.

 

As máquinas que atualmente conhecemos não produzem energia, elas convertem outros tipos de energia em energia mecânica para que possam funcionar. Assim como já dizia Lavoisier: “Na natureza nada se perde, nada se cria, tudo se transforma”. Ou seja, nada pode ser criado do nada, apenas transformado de algo já existente. Um exemplo disso é o nosso querido e velho liquidificador.

 

Ele converte a energia elétrica em energia mecânica para que possa processar os alimentos. Hoje, em face da grande necessidade de se poupar a camada de ozônio da emissão de gases poluentes, os motores elétricos estão sendo largamente utilizados em veículos automotores com o intuito de economizar energia e poupar o meio ambiente. Gases poluentes, como o dióxido de carbono que é liberado dos escapamentos de veículos automotores e das chaminés das fábricas, têm um grande poder de destruição na camada de ozônio.

 

         O funcionamento dos motores elétricos está baseado nos princípios do eletromagnetismo, mediante os quais, condutores situados num campo magnético e atravessados por corrente elétrica, sofrem a ação de uma força mecânica, força essa chamada de torque.

 

         Existem vários tipos de motores elétricos, dos quais os principais são os de corrente contínua e de corrente alternada. Os motores de corrente contínua são mais caros, pois é necessário um dispositivo que converte a corrente alternada em corrente contínua.

 

         Já os motores de corrente alternada são mais baratos e os mais utilizados, pois a energia elétrica é distribuída em forma de corrente alternada, reduzindo assim seu custo.

 

 

 

 

Descrição: http://www.brasilescola.com/upload/e/Esquema%20de%20funcionamento%20de%20um%20motor%20eletrico.jpg

Acima está a figura de um esquema simplificado de um motor elétrico. Ele possui um imã que produz um campo de indução magnética, um cilindro onde estão os condutores e fios que são ligados a um gerador.

 

Motores Elétricos Monofásicos

 

Os motores monofásicos de fase auxiliar são um dos vários tipos de motores monofásicos existentes. Utilizados principalmente em máquinas como moto bombas, compressores, furadeiras, serras, cortadores de grama, etc., são, em geral, máquinas de pequeno porte, já que são fabricados normalmente em potências de 2 CV.

 

É raro serem encontrados acima desta potência, pois a utilização de motores trifásicos fica economicamente mais viável.

 

O estator desses motores é constituído resumidamente por dois bobinados, chamados de bobinado principal (ou de trabalho) e bobinado auxiliar (ou de partida; arranque). Na partida do motor, os dois bobinados ficam energizados; tão logo o rotor atinja a sua velocidade, o bobinado de arranque é desligado, permanecendo em funcionamento somente as bobinas de trabalho.

 

A bobina de arranque do motor possui ligado em série consigo um capacitor e um interruptor automático (e é normalmente feita com fio mais fino). O interruptor automático (na maioria dos motores formado por um interruptor centrífugo associado a um platinado, embora não seja o único modelo existente) desliga a bobina de arranque após a partida do motor. Já o capacitor faz com que surja no interior do motor um campo magnético girante, que impulsionará o motor a partir.

 

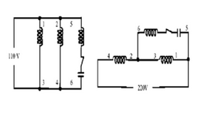
         Para que possa funcionar em duas tensões diferentes (110 e 220 V), a bobina de trabalho desses motores é dividida em duas, tendo a possibilidade de as partes serem conectadas em série ou em paralelo, de acordo com a tensão da rede elétrica. Cada parte deve receber no máximo 110 V, que corresponde à menor tensão de funcionamento do motor (figura 1). A inversão da rotação é feita invertendo-se o sentido da corrente na bobina auxiliar, ou seja, troca-se o terminal 5 pelo terminal 6.

Descrição: http://1.bp.blogspot.com/_fDsOnhYhu-M/THQse2wnPPI/AAAAAAAAAAw/s5dYUvD-cZI/s200/Motor+Monof%C3%A1sico.jpgMotor monofásico de fase auxiliar

Motor monofásico de fase auxiliar 2 pólos

 Descrição: http://4.bp.blogspot.com/_fDsOnhYhu-M/THQs-YPoV9I/AAAAAAAAAA4/9n0WnoSH6vM/s400/Motor+Monof%C3%A1sico.png

Ligações do motor monofásico de fase auxiliar para 110 e 220 V

Descrição: http://3.bp.blogspot.com/_fDsOnhYhu-M/THQtZ-NBsyI/AAAAAAAAABA/u0gkbKnZCYs/s320/Sem+t%C3%ADtulo.png

 

 

 

 

 

ROTEIRO DE TRABALHO

 

LIGUE UM MOTOR DE FASE AUXILIAR COM UM DIJUNTOR

E CHAVE REVERSORA