
PINOS E CAVILHAS
|
Os pinos e
cavilhas têm a finalidade de alinhar ou fixar os elementos de máquinas,
permitindo uniões mecânicas, ou seja, uniões em que se juntam duas ou mais
peças, estabelecendo, assim, conexão entre elas. Veja os exemplos: |
|
As cavilhas, também, são
chamados pinos estriados, pinos entalhados, pinos ranhurados ou, ainda, rebite
entalhado. A diferenciação entre pinos e cavilhas leva em conta o formato dos
elementos e suas aplicações.
Por exemplo, pinos são
usados para junções de peças que se articulam entre si e cavilhas são
utilizadas em conjuntos sem articulações; indicando pinos com entalhes externos
na sua superfície.
Esses entalhes é que
fazem com que o conjunto não se movimente. A forma e o comprimento dos entalhes
determinam os tipos de cavilha.
Pinos e cavilhas se
diferenciam pelos seguintes fatores:
|
utilização |
forma |
|
tolerâncias
de medida |
acabamento
superficial |
|
material |
tratamento
térmico |
|
|
|
|
|
|
|
|
|
|
|
|
Os pinos são usados em
junções resistentes a vibrações. Há vários tipos de pino, segundo sua função.
|
TIPO |
FUNÇÃO |
|
Pino
cônico |
Ação
de centragem |
|
Pino
cônico com haste roscada |
A
ação de retirada do pino de furos cegos é facilitada por um simples aperto de
porca |
|
Pino
cilíndrico |
Requer
um furo de tolerâncias rigorosas e é utilizado quando são aplicadas as forças
cortantes. |
|
Pino
elástico ou pino tubular partido |
Apresenta
elevada resistência ao corte e pode ser assentados em furos, com variação de
diâmetro considerável. |
|
Pino
de guia |
Serve
para alinhar elementos de máquinas. a distância entre os pinos deve ser bem calculada
para evitar o risco de ruptura. |
|
|
Para especificar pinos e cavilhas
deve-se levar em conta seu diâmetro nominal, seu comprimento e função do pino,
indicada pela respectiva norma. Exemplo: Um pino de diâmetro nominal
de 15 mm, com comprimento de 20 mm, a ser utilizado como pino cilíndrico, é
designado: pino cônico: 10 x 60 DIN 1. |
|
|
Cavilha A cavilha é uma peça cilíndrica,
fabricada em aço, cuja superfície externa recebe três entalhes que formam
ressaltos. A forma e o comprimento dos entalhes determinam os tipos de
cavilha. Sua fixação é feita diretamente no furo aberto por broca,
dispensando-se o acabamento e a precisão do furo alargado. |
|
Cupilha
ou contrapino
|
Cupilha é um arame de secção semi-circular,
dobrado de modo a formar um corpo cilíndrico e uma cabeça
|
|
Sua função principal é a de travar
outros elementos de máquinas como porcas. |
Pino cupilhado
Nesse caso, não entra no
eixo, mas no próprio pino. O pino cupilhado é utilizado como eixo curto para
uniões articuladas ou para suportar rodas, polias, cabos, etc.
|
|
|
|||
|
|
|
|
|
|
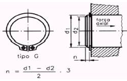
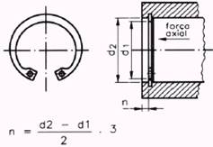
Anéis Elásticos
|
O anel elástico é um elemento usado
em eixos ou furos, tendo como principais funções: Evitar deslocamento axial de
peças ou componentes. Posicionar ou limitar o curso de
uma peça ou conjunto deslizante sobre o eixo. Deslocamento axial é o movimento
no sentido longitudinal do eixo |
|
|
Material
de fabricação e forma Fabricado de aço-mola, tem a forma
de anel incompleto, que se aloja em um canal circular construído conforme
normalização. Aplicação: para eixos com diâmetro entre 4 e 1.000mm. Externo •
Norma DIN 471. |
|
|
Aplicação: para furos com diâmetro entre
9,5 e 1.000mm. Norma DIN 472. |
Aplicação: Em eixos com diâmetro
entre 8 e 24mm. Trabalha externamente. Norma DIN 6799. |
|
|
|
|
Deslocamento axial é o movimento no
sentido longitudinal do eixo. Aplicação: para eixos com diâmetro
entre 4 e 390mm para rolamentos. |
Anéis de seção circular Aplicação:
para pequenos esforços axiais. |
|
|
|
Na utilização dos anéis,
alguns pontos importantes devem ser observados:
A dureza do anel deve
ser adequada aos elementos que trabalham com ele.
Se o anel apresentar
alguma falha, pode ser devido a defeitos de fabricação ou condições de
operação.
As condições de operação
são caracterizadas por meio de vibrações, impacto, flexão, alta temperatura ou
atrito excessivo.
Um projeto pode estar
errado: previa, por exemplo, esforços estáticos, mas as condições de trabalho
geraram esforços dinâmicos, fazendo com que o anel apresentasse problemas que
dificultaram seu alojamento.
A igualdade de pressão
em volta da canaleta assegura aderência e resistência. O anel nunca deve estar
solto, mas alojado no fundo da canaleta, com certa pressão.
A superfície do anel
deve estar livre de rebarbas, fissuras e oxidações.
Em aplicações sujeitas à
corrosão, os anéis devem receber tratamento anti-corrosivo adequado.
Dimensionamento correto
da anel e do alojamento.
Em casos de anéis de
seção circular, utilizá-los apenas uma vez.
Utilizar ferramentas
adequadas para evitar que o anel fique torto ou receba esforços exagerados.
Montar o anel com a abertura
apontando para esforços menores, quando possível.
Nunca substituir um anel
normalizado por um “equivalente”, feito de chapa ou arame sem critérios.
|
Para que esses anéis não sejam
montados de forma incorreta, é necessário o uso de ferramentas adequadas, no
caso, alicates. Vejamos alguns tipos de alicate: |
|
A guia tem a função de manter
a direção de uma peça em movimento. Por exemplo, numa janela corrediça, seu
movimento de abrir e de fechar é feito dentro de trilhos. Esses trilhos evitam
que o movimento saia da direção.
|
A guia tem a mesma função desses
trilhos. Numa máquina industrial, como uma serra
de fita, a guia assegura a direção da trajetória da serra. Geralmente, usa se
mais de uma guia em máquinas. Normalmente, se usa um conjunto de guias com
perfis variados, que se denomina barramento.
Existem vários tipos de barramento, conforme a função que ele exerce. Para ficar clara sua descrição,
apresentamos, como exemplo, a ilustração de uma porta corrediça do box de um
banheiro. |
|
|
No caso de se desejar movimento
retilíneo, geralmente são usadas guias constituídas de peças cilíndricas ou
prismáticas. Essas peças deslizam dentro de outra
peça com forma geométrica semelhante, conforme ilustrações. |
|
|
As guias podem ser abertas ou
fechadas, como pode ser visto nas ilustrações a seguir |
Guia
prismática aberta - Guia fechada–rabo de andorinha |
Classificação
As guias classificam-se
em dois grupos: guias de deslizamento e de rolamento.
As guias de deslizamento
apresentam-se, geralmente, nas seguintes formas:

formas
cilíndricas - par de faces paralelas
- rabo de andorinh -
guia prismática em V
Em
máquinas operatrizes são empregadas combinações de vários perfis de guias de
deslizamentos, conhecidos como barramento. O quadro a seguir apresenta alguns
perfis combinados e sua aplicação.
Réguas de ajuste
Quando uma ou mais peças se movimentam
apoiadas em guias, as superfícies entram em contato por atrito. Com o passar do
tempo, o movimento vai provocando desgaste das superfícies dando origem a folga
no sistema, mesmo que ele seja sempre lubrificado.
Para evitar que essa folga prejudique a
precisão do movimento, é preciso que ela seja compensada por meio de réguas de
ajuste. As réguas têm perfil variado, de acordo com a dimensão da folga.
|
De modo geral, as guias são lubrificadas
com óleo, que é introduzido entre as superfícies em contato por meio de
ranhuras ou canais de lubrificação. O óleo deve ocorrer pelas ranhuras de
modo que atinja toda a extensão da pista e forme uma película lubrificante. Essas ranhuras são feitas sempre na
pista da peça móvel, conforme mostram as ilustrações.
|
Nas
máquinas de grande porte é usada a guia hidrostática. |
Molas
São diversas as funções das molas.
Observe, por exemplo, nas ilustrações, sua função na prancha de um trampolim.
São as molas que
permitem ao mergulhador elevar-se, sob impulso, para o salto do mergulho.
A movimentação do
mergulhador se deve à elasticidade das molas.
Peças fixadas entre si
com elementos elásticos podem ser deslocadas sem sofrerem alterações. Assim, as
molas são muito usadas como componentes de fixação elástica. Elas sofrem
deformação quando recebem a ação de alguma força, mas voltam ao estado normal,
ou seja, ao repouso, quando a força pára.
As uniões elásticas são usadas para
amortecer choques, reduzir ou absorver vibrações e para tornar possível o
retorno de um componente mecânico à sua posição primitiva. Com certeza, você
conhece muitos casos em que se empregam molas como, por exemplo, estofamentos,
fechaduras, válvulas de descarga, suspensão de automóvel, relógios, brinquedos.
Formas de uso
As molas são usadas,
principalmente, nos casos de armazenamento de energia, amortecimento de
choques, distribuição de cargas, limitação de vazão, preservação de junções ou
contatos.
Armazenamento de energia
Nesse caso, as molas são
utilizadas para acionar mecanismos de relógios, de brinquedos, de retrocesso
das válvulas de descarga e aparelhos de controle.
Amortecimento de choques
As molas amortecem
choques em suspensão e pára-choques de veículos, em acoplamento de eixos e na
proteção de instrumentos delicados ou sensíveis.
Distribuição de cargas.
As molas distribuem
cargas em estofamento de poltronas, colchões, estrados de camas e veículos em
que, por meio de molas, a carga pode ser distribuída pelas rodas.
Limitação de vazão
As molas regulam a vazão de
água em válvulas e registros e a vazão de gás em bujões ou outros recipientes.
|
Preservação de junções ou contatos Nesse caso, a função das molas é a
de preservar peças articuladas, alavancas de contato, vedações, etc. que
estejam em movimento ou sujeitas a desgastes. Ainda, as molas têm a função
especial de manter o carvão de um coletor sob pressão. |
|
|
Tipos
de mola Os diversos tipos de molas podem
ser classificados quanto à sua forma geométrica ou segundo o modo como
resistem aos esforços. Quanto à forma geométrica, as
molas podem ser helicoidais (forma de hélice) ou planas. |
|
|
|
|
MOLAS
HELICOIDAIS
|
|
|
MOLAS
PLANAS |
|
Quanto ao esforço que suportam, as molas
podem ser tração, de compressão ou de torção. Molas
helicoidais |
MOLA
DE TRAÇÃO |
MOLA
DE COMPRESSÃO |
MOLA
DE TORÇÃO |
|
A mola helicoidal é a mais usada
em mecânica. Em geral, ela é feita de barra de aço enrolada em forma de
hélice cilíndrica ou cônica. A barra de aço pode ter seção retangular,
circular, quadrada, etc. em geral, a mola helicoidal é enrolada à direita. Quando a mola helicoidal for
enrolada à esquerda, o sentido da hélice deve ser indicado no desenho. |
MOLA
HELICOIDAL À DIREITA |
MOLA
HELICOIDAL À ESQUERDA |
|
|
As molas helicoidais
podem funcionar por compressão, por tração ou por torção.
A mola helicoidal de compressão
é formada por espirais. Quando esta mola é comprimida por alguma força, o
espaço entre as espiras diminui, tornando menor o comprimento da mola.
|
Você pode ver a aplicação de uma mola
helicoidal de compressão observando um furador de papéis. |
|
|
A mola helicoidal de
tração possui ganchos nas estremidades, além das espiras. Os ganchos são também chamados de
olhais.Para a mola helicoidal de tração desempenhar sua função, deve ser
esticada, aumentando seu comprimento. Em estado de repouso, ela volta ao seu
comprimento normal. |
|
|
A mola helicoidal de tração tem
dois braços de alavancas, além das espiras. Veja um exemplo de mola de torção na
figura à esquerda, e à direita, a aplicação da mola num pregador de roupas. |
|
|
Agora veja exemplos de molas helicoidais
cônicas e suas aplicações em utensílios diversos. |
|
|
Mola plana simples |
Mola
prato |
|
Feixe de molas |
Mola
espiral |
Molas
planas
As
molas planas são feitas de material plano ou em fita. As molas planas podem ser
simples, prato, feixe de molas e espiral.
Observe a ilustração da
mola plana simples.
|
Esse tipo de mola é empregado
somente para algumas cargas. Em geral, essa mola é fixa numa extremidade e
livre na outra. Quando sofre a ação de uma força, a mola é flexionada em
direção oposta. |
|
||
|
Veja agora a mola prato. Essa mola
tem a forma de um tronco de cone com paredes de seção retangular. |
|
|
|
Em geral, as molas prato
funcionam associadas entre si, empilhadas, formando colunas. O arranjo das
molas nas colunas depende da necessidade que se tem em vista.
As características das
molas prato são:
De: diâmetro externo da
mola;
Di: diâmetro interno da
mola;
H: comprimento da mola;
h: comprimento do tronco
interno da mola;
e: espessura da mola.
Material
de fabricação
As molas
podem ser feitas com os seguintes materiais: aço, latão, cobre, bronze,
borracha, madeira, plastiprene, etc:
As
molas de borracha e de arame de aço com pequenos diâmetros, solicitados a
tração, apresentam a vantagem de constituírem elementos com menor peso e volume
em relação à energia armazenada. Para conservar certas propriedades das molas –
elásticas, magnéticas; resistência ao calor e à corrosão – deve-se usar
aços-liga e bronze especiais ou revestimento de proteção.
Os
aços molas devem apresentar as seguintes características: alto limite de
elasticidade, grande resistência, alto limite de fadiga.
Quando as solicitações
são leves, usam-se aços-carbono – ABNT 1070 ou ABNT 1095.
As molas destinadas a
trabalhos em ambientes corrosivos com grande variação de temperaturas são
feitas de metal monel (33% CU – 67%Ni) ou aço inoxidável.
Os aços-liga apresentam
a vantagem de se adequarem melhor a qualquer temperatura, sendo particularmente
úteis no caso de molas de grandes dimensões.
|
As molas de borracha são utilizadas
em fundações, especialmente como amortecedores de vibrações e ruídos e em
suspensão de veículos. |
MOLAS DE
BORRACHA E PLASTIPRENE |
|
|
As molas de lâmina (feixe de molas)
e de barra de torção requerem espaços de pequena altura (veículos). As molas espirais (de relógios) e
de prato podem ser montadas em espaços estreitos. As molas de lâmina, de prato,
helicoidal de prato e de borracha dispendem pouca quantidade de energia por
atrito. |
|
|
Vedação é o processo usado
para impedir a passagem, de maneira estática ou dinâmica, de líquidos, gases e
sólidos particulados (pó) de um meio para outro. Por exemplo, consideremos uma
garrafa de refrigerante lacrada. A tampinha em si não é capaz de vedar a
garrafa.
É necessário um elemento
contraposto entre a tampinha e a garrafa de refrigerante impedindo a passagem
do refrigerante para o exterior e não permitindo que substâncias existentes no
exterior entrem na garrafa.
Os elementos de vedação atuam de
maneira diversificada e são específicos para cada tipo de atuação. Exemplos:
tampas, bombas, eixos, cabeçotes de motores, válvulas etc.
É importante que o material
do vedador seja compatível com o produto a ser vedado, para que não ocorra uma
reação química entre eles. Se houver reação química entre o vedador e o produto
a ser vedado, poderá ocorrer vazamento e contaminação do produto.
Um vazamento, em termos
industriais, pode parar uma máquina e causar contaminações do produto que,
conseqüentemente, deixará de ser comercializado, resultando em prejuízo à
empresa.
Os materiais usados como
elementos de vedação são: juntas de borracha, papelão, velumóide, anéis de
borracha ou metálicos, juntas metálicas, retentores, gaxetas, selos mecânicos
etc.
Juntas de borracha
São vedações empregadas
em partes estáticas, muito usadas em equipamentos, flanges etc. Podem ser
fabricadas com materiais em forma de manta e ter uma camada interna de lona
(borracha lonada) ou materiais com outro formato.
Anéis de borracha (ring)
São vedadores usados em
partes estáticas ou dinâmicas de máquinas ou equipamentos.
Estes
vedadores podem ser comprados nas dimensões e perfis padronizados ou
confeccionados colando-se, com adesivo apropriado, as pontas de um fio de borracha
com secção redonda, quadrada ou retangular. A vantagem do anel padronizado é
que nele não existe a linha de colagem, que pode ocasionar vazamento.
Os anéis de borracha ou
anéis da linha ring são bastante utilizados em vedações dinâmicas de cilindros
hidráulicos e pneumáticos que operam à baixa velocidade.
Juntas de papelão
São empregadas em partes
estáticas de máquinas ou equipamentos como, por exemplo, nas tampas de caixas
de engrenagens. Esse tipo de junta pode ser comprada pronta ou confeccionada
conforme o formato da peça que vai utilizá-la.
Juntas metálicas
São destinadas à vedação
de equipamentos que operam com altas pressões e altas temperaturas. São
geralmente fabricadas em aço de baixo teor de carbono, em alumínio, cobre ou
chumbo. São normalmente aplicadas em flanges de grande aperto ou de aperto
limitado.
Juntas de teflon
Material empregado na
vedação de produtos como óleo, ar e água. As juntas de teflon suportam
temperaturas de até 260°C.
Juntas de amianto
Material empregado na vedação
de fornos e outros equipamentos. O amianto suporta elevadas temperaturas e
ataques químicos de muitos produtos corrosivos.
Juntas de cortiça
Material empregado em
vedações estáticas de produtos como óleo, ar e água submetidos a baixas pressões.
As juntas de cortiça são muito utilizadas nas vedações de tampas de cárter, em
caixas de engrenagens etc.
Retentores
O vedador de lábio,
também conhecido pelo nome de retentor, é composto essencialmente por uma
membrana elastomérica em forma de lábio e uma parte estrutural metálica
semelhante a uma mola que permite sua fixação na posição correta de trabalho. A
função primordial de um retentor é reter óleo, graxa e outros produtos que
devem ser mantidos no interior de uma máquina ou equipamento.
|
O retentor é sempre aplicado entre
duas peças que executam movimentos relativos entre si, suportando variações
de temperatura. A figura a seguir mostra um
retentor entre um mancal e um eixo. |
|
|
Elementos de um retentor básico Os elementos de um retentor básico
encontram-se a seguir. Acompanhe as Legendas pela ilustração. Recomendações para a aplicação dos
retentores |
|
|
|
Membrana elastomérica ou lábio 1a – ângulo de ar 1b – aresta de vedação 1c – ânguo de óleo 1d – região de cobertura da mola 1e – alojamento da mola 1f – região interna do lábio 1g – região do engaste do lábio mola
de tração região interna do vedador, eventualmente recoberta por material
elastomérico anel de reforço metálico ou carcaça cobertura externa
elastomérica 5a – borda 5b – chanfro
da borda 5c – superfície silíndrica externa
ou diâmetro externo 5d – chanfro das costas 5e – costas |
|
|
Tipos de perfis de
retentores
As figuras seguintes
mostram os tipos de perfis mais usuais de retentores.
Como foi visto, a
vedação por retentores se dá através da interferência do lábio sobre o eixo.
Esta condição de trabalho provoca atrito e a conseqüente geração de calor na
área de contato, o que tende a causar a degeneração do material do retentor,
levando o lábio de vedação ao desgaste.
Em muitas ocasiões
provoca o desgaste no eixo na região de contato com o retentor.
Para que um retentor
trabalhe de modo eficiente e tenha uma boa durabilidade, a superfície do eixo e
o lábio do retentor deverão atender aos seguintes parâmetros:
O acabamento da
superfície do eixo deve ser obtido por retificação, seguindo os padrões de
qualidade exigidos pelo projeto.
A superfície de trabalho
do lábio do retentor deverá ser isenta de sinais de batidas, sulcos, trincas,
falhas de material, deformação e oxidação.
A dureza do eixo, no local
de trabalho do lábio do retentor, deverá estar acima de 28 HRC.
Condições de armazenagem
dos retentores
Durante o período de
armazenamento, os retentores deverão ser mantidos nas próprias embalagens. A
temperatura ambiente deverá permanecer entre 10°C e 40°C. Manipulações
desnecessárias deverão ser evitadas para preservar os retentores de danos e
deformações acidentais. Cuidados especiais precisam ser observados quanto aos
lábios dos retentores, especialmente quando eles tiverem que ser retirados das
embalagens.
Pré-lubrificação dos
retentores
Recomenda-se
pré-lubrificar os retentores na hora da montagem. A pré- lubrificação favorece
uma instalação perfeita do retentor no alojamento e mantém uma lubrificação
inicial no lábio durante os primeiros giros do eixo.O fluido a ser utilizado na
pré-lubrificação deverá ser o mesmo fluido a serutilizado no sistema, e é
preciso que esteja isento de contaminações.
Cuidados na montagem do
retentor no alojamento
A montagem do retentor
no alojamento deverá ser efetuada com o auxílio de prensa mecânica, hidráulica
e um dispositivo que garanta o perfeito esquadrejamento do retentor dentro do
alojamento. A superfície de apoio do dispositivo e o retentor deverão ter
diâmetros próximos para que o retentor não venha a sofrer danos durante a
prensagem. O dispositivo não poderá, de forma alguma, danificar o lábio de
vedação do retentor.
Montagem do retentor no
eixo
Os cantos do eixo devem
ter chanfros entre 15° e 25° para facilitar a entrada do retentor. Não sendo
possível chanfrar ou arredondar os cantos, ou o retentor ter de passar
obrigatoriamente por regiões com roscas, ranhuras, entalhes ou outras
irregularidades, recomenda-se o uso de uma luva de proteção para o lábio. O
diâmetro da luva deverá ser compatível, de forma tal que o lábio não venha a
sofrer deformações.
Cuidados na substituição
do retentor
Sempre que houver
desmontagem do conjunto que implique desmontagemdo retentor ou do seu eixo de trabalho,
recomenda-se substituir o retentor por um novo. Quando um retentor for trocado,
mantendo-se o eixo, o lábio do novo retentor não deverá trabalhar no sulco
deixado pelo retentor velho.
Riscos, sulcos,
rebarbas, oxidação e elementos estranhos devem ser evitados para não danificar
o retentor ou acarretar vazamento. Muitas vezes, por imperfeições no
alojamento, usam-se adesivos (colas) para garantir a estanqueidade entre o
alojamento e o retentor. Nessa situação, deve-se cuidar para que o adesivo não
atinja o lábio do retentor, pois isso comprometeria seu desempenho.
Gaxetas são elementos
mecânicos utilizados para vedar a passagem de um fluxo de fluido de um local
para outro, de forma total ou parcial. Os materiais usados na fabricação de gaxetas
são: algodão, juta, asbesto (amianto), náilon, teflon, borracha, alumínio,
latão e cobre. A esses materiais são aglutinados outros, tais como: óleo, sebo,
graxa, silicone, grafite, mica etc.
A função desses outros
materiais que são aglutinados às gaxetas é torná-las autolubrificadas. Em
algumas situações, o fluxo de fluido não deve ser totalmente vedado, pois é
necessária uma passagem mínima de fluido com a finalidade de auxiliar a
lubrificação entre o eixo rotativo e a própria gaxeta. A este tipo de trabalho
dá-se o nome de restringimento restringimento.
O restringimento é
aplicado, por exemplo, quando se trabalha com bomba centrífuga de alta
velocidade. Nesse tipo de bomba, o calor gerado pelo atrito entre a gaxeta e o
eixo rotativo é muito elevado e, sendo elevado, exige uma saída controlada de
fluido para minimizar o provável desgaste.
A caixa de gaxeta mais
simples apresenta um cilindro oco onde ficam alojados vários anéis de gaxeta,
pressionados por uma peça chamada sobreposta sobreposta. A função dessa peça é
manter a gaxeta alojada entre a caixa e o eixo, sob pressão conveniente para o
trabalho.
|
A seguir mostramos gaxetas
alojadas entre um eixo e um mancal e a sobreposta. |
|
As gaxetas são
fabricadas em forma de cordas para serem recortadas ou em anéis já prontos para
a montagem.
Seleção da gaxeta
A escolha da gaxeta
adequada para cada tipo de trabalho deve ser feita com base em dados fornecidos
pelos catálogos dos fabricantes. No entanto, os seguintes dados deverão ser
levados em consideração:
Material utilizado na
confecção da gaxeta;
Dimensões da caixa de
gaxeta;
Fluido líquido ou gasoso
bombeado pela máquina;
Temperatura e pressão
dentro da caixa de gaxeta;
Tipo de movimento da
bomba (rotativo/alternativo);
Material utilizado na
construção do eixo ou da haste;
Ciclos de trabalho da
máquina;
Condições especiais da
bomba:
Alta ou baixa temperatura;
Local de trabalho
(submerso ou não); meio (ácido, básico, salino) a que se encontra exposta.
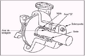
O selo mecânico é um
vedador de pressão que utiliza princípios hidráulicos para reter fluidos. A
vedação exercida pelo selo mecânico se processa em dois momentos: a vedação
principal e a secundária.
A vedação principal é
feita num plano perpendicular ao eixo por meio do contato deslizante entre as
faces altamente polidas de duas peças, geralmente chamadas de sede e anel de
selagem selagem. A sede é estacionária e fica conectada numa parte sobreposta.
O anel de selagem é fixado ao eixo e gira com ele.
Para que as faces do
anel de selagem e da sede permaneçam sempre em contato e pressionadas,
utilizam-se molas helicoidais conectadas ao anel de selagem.
|
As figuras a seguir mostram alguns tipos
de sedes e de anéis de selagem, bem como um selo mecânico em corte. |
|
Uso do selo mecânco
|
Os selos mecânicos são utilizados com
vantagens em relação às gaxetas, pois não permitem vazamentos e podem
trabalhar sob grandes velocidades e em temperaturas e pressões elevadas, sem
apresentarem desgastes consideráveis. Eles permitem a vedação de produtos
tóxicos e inflamáveis. A figura a seguir mostra exemplo
de selo mecânico em corte. |
|
Vantagens do selo
mecânico
Reduz o atrito entre o eixo
da bomba e o elemento de vedação reduzindo, conseqüentemente, a perda de
potência.
Elimina o desgaste
prematuro do eixo e da bucha.
A vazão ou fuga do
produto em operação é mínima ou imperceptível.
Permite operar fluidos
tóxicos, corrosivos ou inflamáveis com segurança.
Tem capacidade de
absorver o jogo e a deflexão normais do eixo rotativo.
O selo mecânico é usado
em equipamentos de grande importância como bombas de transporte em refinarias
de petróleo; bombas de lama bruta nos tratamentos de água e esgoto; bombas de
submersão em construções; bombas de fábricas de bebidas; em usinas
termoelétricas e nucleares.
|
O mancal pode ser definido como
suporte ou guia em que se apóia o eixo. No ponto de contato entre a
superfície do eixo e a superfície do mancal, ocorre atrito. Dependendo da solicitação de
esforços, os mancais podem ser de deslizamento ou de rolamento. |
|
RECUPERAÇÃO DE ELEMENTOS MECÂNICO.